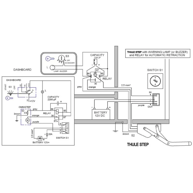
THULE Relais pour Step 12V.
Relais 12V pour activer la fermeture automatique des marchepieds THULE Step 12V installés sur les camping-cars ou les fourgons aménagés.
Il ne faut pas se mentir, ça arrive à tout le monde ! Oublier le marchepied lorsque l’on part est une mésaventure que beaucoup veulent éviter. Avec cet accessoire pour camping-car développé par THULE, votre marchepied 12V se fermera automatiquement au démarrage du moteur. De fait, plus aucun risque et plus de sérénité !
Spécifications technique du relais pour marchepieds camping-car THULE :
– Tension : 12V
– Bornes : 4
– Compatible tous marchepieds THULE Step 12V
– Réf THULE : 308200










Avis
Il n’y a pas encore d’avis.